Software for Scientists Register   Contact    Follow us on Twitter    Search
About us Diamond Endeavour Match!  
About Endeavour
Function List...
Features...
Brochure (PDF)...
References...
Get Endeavour

Order Now

Demo Version

An Endeavour trial version is available free-of-charge and can be downloaded. More...

Quickstart

A quickstart manual is also available in Spanish. More...
Support
Updates...
Known Bugs...
Frequently Asked Questions...

Endeavour
Structure Solution from Powder Diffraction

Endeavour is a powerful software for crystal structure solution, both from powder as well as single crystal diffraction data. Based on more than ten years of experience, the software is capable of solving many small to medium sized structures more or less on its own. The innovative concept combined with the elaborate user interface makes the solution of crystal structures an almost routine process, especially for inorganic but also for many organic compounds.
Even unexperienced users can prepare and perform the structure solution calculation in a few steps: Simply follow the integrated "wizard" to enter the required data (unit cell parameters, chemical composition, diffraction data), and let Endeavour do the rest. The structure solution is performed using a special variant of the "direct-space" approach, namely a combined global optimization of the difference between calculated and observed diffraction data and of the potential energy of the system. Due to the additional usage of the potential energy, the method is much less sensitive to low-quality diffraction data than e.g. direct methods.

The currently available version of Endeavour is version 1.8. You can find details about the re-designed user interface and other improvements and bug fixes here.

A new version 2.0 of Endeavour is planned to be released in the first half of 2026. The most important improvement over version 1 is to perform structure solutions as parallel calculations, making better use of multiple existing processor cores. An overview of the new features can be found here.

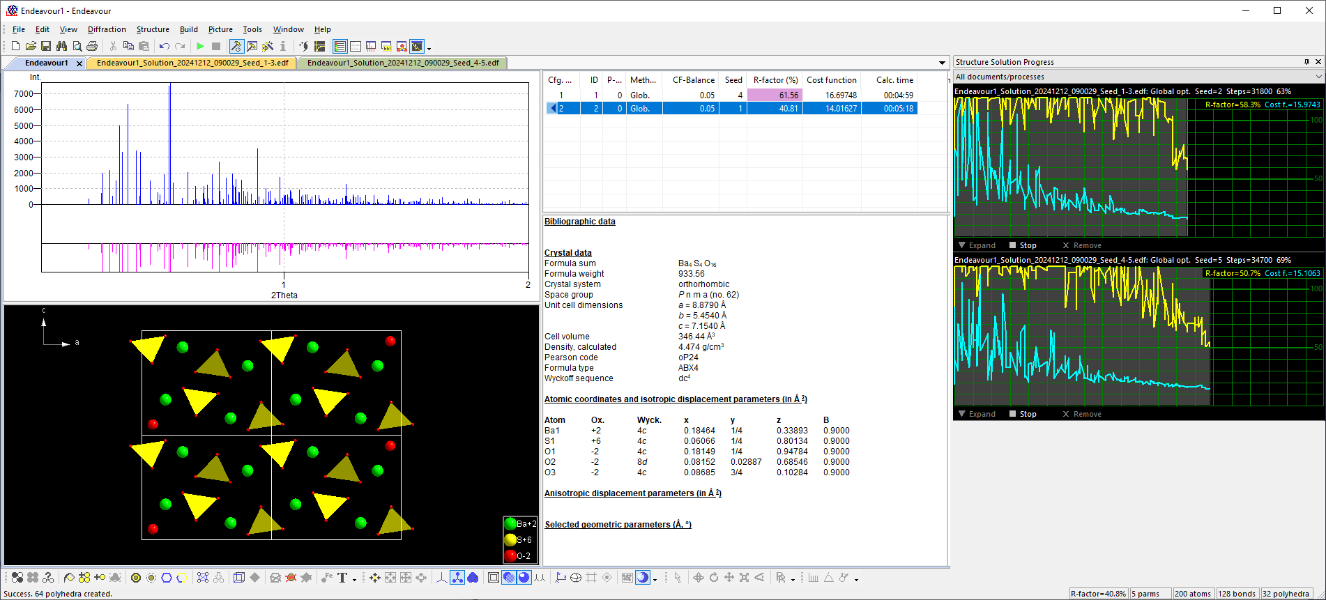
Screenshot of BaSO4 example from tutorial

Users of the current Endeavour version 1.8 or older versions 1.x can update to version 2 at a reduced price. Customers who purchased Endeavour after December 31, 2023 can update free-of-charge.

 


Scientific background

Details about the scientific background of Endeavour have been published in Journal of Applied Crystallography: H. Putz, J.C. Schoen, M. Jansen, Combined Method for "Ab Initio" Structure Solution from Powder Diffraction Data, J. Appl. Cryst. (1999), 32, 864-870.

Endeavour News

February 19, 2021
You can now download Endeavour kernel versions for macOS, Linux and Windows from here.

April 26, 2019
A maintenance release 1.8b of Endeavour with some bug fixes has been released. More...

January 18, 2019
A maintenance release 1.8a of Endeavour with a bug fix has been released. More...

October 11, 2018
The new Endeavour version 1.8 comes with a polished user interface and offers several improvements and a variety of bug fixes. More...

January 6, 2015
A maintenance release 1.7g of Endeavour, providing some minor improvements as well as several bug fixes, has been released. More...

Mar 7, 2012
A maintenance release 1.7f of Endeavour with some bug fixes has been released. More...

Sep 15, 2010
A maintenance release 1.7e of Endeavour with some bug fixes has been released. More...

Feb 18, 2010
A maintenance release 1.7d of Endeavour with some bug fixes has been released. More...

Dec 11, 2009
A maintenance release 1.7c of Endeavour with some bug fixes has been released. More...

Apr 20, 2009
A maintenance release 1.7b of Endeavour with a bug fix (some atomic form factors for electron diffraction were missing, e.g. for Ru) has been released. More...

Apr 1, 2009
A maintenance release 1.7a of Endeavour with some bug fixes has been released. More...

Feb 12, 2009
In the new Endeavour version 1.7, several improvements with regard to structure solution from electron diffraction data have been implemented. More...

Dec 12, 2008
A Spanish version of the Endeavour quickstart manual has become available thanks to the efforts of Prof. Santiago Rodríguez Almenar. More...

News archive...